【CHLF型輕型段式不銹鋼多級離心泵】產品:
【CHLF型輕型段式不銹鋼多級離心泵】產品簡介
CHL,CHLK和CHLF(T)輕型臥式多級離心泵采用了免修機械密封。泵的過流部件均采用不銹鋼材料(304或316)制成,具有低噪音,耐輕腐蝕,外形美觀、體積小、重量輕、使用壽命長等特點。
【CHLF型輕型段式不銹鋼多級離心泵】型號意義:
【CHLF型輕型段式不銹鋼多級離心泵】應用范圍:
CHL,CHLK和CHLF(T)型輕型段式不銹鋼多級離心泵主要用于家庭型中央空調循環及工業上液體的傳輸。如脫礦物質水、軟水、凈化系統、輕油等的循環和增壓。
1)小型中央空調循環
2)冷卻系統
3)工業清洗
4)水處理(水的凈化)
5)水產養殖
6)施肥/計量系統
7)環境應用
【CHLF型輕型段式不銹鋼多級離心泵】工作條件:
稀薄、干凈、不凝、不爆炸、不含固體顆粒或纖維的液體。
液體溫度: 常溫型-15℃至+70℃
熱水型+70℃至+110℃
最大環境溫度:+40℃
最大運作壓力:10巴
最大進口壓力受最大運作壓力限制
介質酸堿性:PH4~9
【CHLF型輕型段式不銹鋼多級離心泵】電機:
電機為全封閉,風冷式二極電機
防護等級:IP55
絕緣等級:F
標準電壓,
50Hz:
1×220-240V
3×220-240V
380-415V
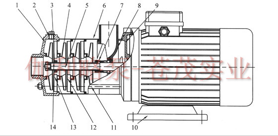
【CHLF型輕型段式不銹鋼多級離心泵】結構圖:
|
|
||
|
序號/No. |
名稱/Name |
材料/Material |
|
2 |
堵頭/Gag |
不銹鋼/Stainless steel |
|
3 |
軸承/Bearing |
碳化鎢/Tungsten carbide |
|
4 |
葉輪/Impeller |
不銹鋼/Stainless steel |
|
5 |
軸/Shaft |
不銹鋼/Stainless steel |
|
6 |
出水導葉/Water-out guide vane |
不銹鋼/Stainless steel |
|
8 |
機械密封/Mechanical seal |
|
|
9 |
電機端蓋/Motor end cover |
鋁合金/Aluminum alloy |
|
10 |
底座/Base frame |
鑄鐵/Cast iron |
|
11 |
拉桿/Pull-rod |
不銹鋼/Stainless steel |
|
12 |
導葉/Guide vane |
不銹鋼/Stainless steel |
|
13 |
支撐導葉/Support guide vane |
不銹鋼/Stainless steel |
|
14 |
葉輪隔套/Impeller separating sleeve |
不銹鋼/Stainless steel |
|
|
CHLF |
|
|
1 |
進水體/Water-in body |
不銹鋼/Stainless steel |
|
7 |
出水體/Water-out body |
不銹鋼/Stainless steel |
|
|
CHLF(T) |
|
|
1 |
進水體/Water-in body |
鑄鐵/Cast iron |
|
7 |
出水體/Water-out body |
鑄鐵/Cast iron |
【CHLF型輕型段式不銹鋼多級離心泵】性能參數:
|
型號 |
揚程(m) |
流量(m3/h) |
電機功率(KW) |
轉速(r/min) |
|
CHL2-20 |
14 |
2 |
0.37 |
2900 |
|
CHL2-30 |
21 |
2 |
0.55 |
2900 |
|
CHL2-40 |
28 |
2 |
0.55 |
2900 |
|
CHL2-50 |
35 |
2 |
0.55 |
2900 |
|
CHL2-60 |
42 |
2 |
0.75 |
2900 |
|
CHL4-20 |
15 |
4 |
0.55 |
2900 |
|
CHL4-30 |
22 |
4 |
0.75 |
2900 |
|
CHL4-40 |
30 |
4 |
0.75 |
2900 |
|
CHL8-10 |
8.5 |
8 |
0.75 |
2900 |
|
CHL8-20 |
17 |
8 |
0.75 |
2900 |
|
CHL8-30 |
25.5 |
8 |
1.1 |
2900 |
|
CHL8-40 |
34 |
8 |
1.5 |
2900 |
|
CHL8-50 |
42.5 |
8 |
2.2 |
2900 |
|
CHL12-10 |
9.5 |
12 |
0.75 |
2900 |
|
CHL12-20 |
19.5 |
12 |
1.2 |
2900 |
|
CHL12-30 |
29.5 |
12 |
1.8 |
2900 |
|
CHL12-40 |
39.5 |
12 |
2.4 |
2900 |
|
CHL12-50 |
50 |
12 |
3 |
2900 |
|
CHL16-10 |
10 |
16 |
1.1 |
2900 |
|
CHL16-20 |
21 |
16 |
2.2 |
2900 |
|
CHL16-30 |
32 |
16 |
3 |
2900 |
|
CHL20-10 |
9.5 |
20 |
1.1 |
2900 |
|
CHL20-20 |
21 |
20 |
2.2 |
2900 |
|
CHL20-30 |
33 |
20 |
4 |
2900 |
|
CHLF(T)2-20 |
14 |
2 |
0.37 |
2900 |
|
CHLF(T)2-30 |
21 |
2 |
0.55 |
2900 |
|
CHLF(T)2-40 |
28 |
2 |
0.55 |
2900 |
|
CHLF(T)2-50 |
35 |
2 |
0.55 |
2900 |
|
CHLF(T)2-60 |
42 |
2 |
0.75 |
2900 |
|
CHLF(T)4-20 |
15 |
4 |
0.55 |
2900 |
|
CHLF(T)4-30 |
22 |
4 |
0.55 |
2900 |
|
CHLF(T)4-40 |
30 |
4 |
0.75 |
2900 |
|
CHLF(T)4-50 |
38 |
4 |
1.1 |
2900 |
|
CHLF(T)4-60 |
45 |
4 |
1.1 |
2900 |
|
CHLF(T)8-10 |
8.5 |
8 |
0.75 |
2900 |
|
CHLF(T)8-20 |
17 |
8 |
0.75 |
2900 |
|
CHLF(T)8-30 |
25.5 |
8 |
1.1 |
2900 |
|
CHLF(T)8-40 |
34 |
8 |
1.5 |
2900 |
|
CHLF(T)8-50 |
42.5 |
8 |
2.2 |
2900 |
|
CHLF(T)12-10 |
9.5 |
12 |
0.75 |
2900 |
|
CHLF(T)12-20 |
19.5 |
12 |
1.2 |
2900 |
|
CHLF(T)12-30 |
29.5 |
12 |
1.8 |
2900 |
|
CHLF(T)12-40 |
39.5 |
12 |
2.4 |
2900 |
|
CHLF(T)12-50 |
50 |
12 |
3 |
2900 |
|
CHLF(T)16-10 |
10 |
16 |
1.1 |
2900 |
|
CHLF(T)16-20 |
21 |
16 |
2.2 |
2900 |
|
CHLF(T)16-30 |
32 |
16 |
3 |
2900 |
|
CHLF(T)16-40 |
43 |
16 |
4 |
2900 |
|
CHLF(T)20-10 |
9.5 |
20 |
1.1 |
2900 |
|
CHLF(T)20-20 |
21 |
20 |
2.2 |
2900 |
|
CHLF(T)20-30 |
33 |
20 |
4 |
2900 |
|
CHLF(T)20-40 |
44.5 |
20 |
4.4 |
2900 |
【CHLF型輕型段式不銹鋼多級離心泵】性能曲線圖譜:

【CHLF型輕型段式不銹鋼多級離心泵】安裝尺寸圖:

聲明:由于產品一直在更新,本文中所有文字、數據、圖片均只適用于參考,CHLF型輕型段式不銹鋼多級離心泵性能參數、CHLF型輕型段式不銹鋼多級離心泵使用場合、CHLF型輕型段式不銹鋼多級離心泵材質要求、CHLF型輕型段式不銹鋼多級離心泵結構、CHLF型輕型段式不銹鋼多級離心泵安裝尺寸以及CHLF型輕型段式不銹鋼多級離心泵的價格等詳情,我們一定會盡心盡力為您提供優質的服務。