【CHL型不銹鋼輕型多級離心泵】產品:
【CHL型不銹鋼輕型多級離心泵】產品簡介:
CHL,CHLK和CHLF(T)不銹鋼輕型多級離心泵采用了免修機械密封。泵的過流部件均采用不銹鋼材料(304或316)制成,具有低噪音,耐輕腐蝕,外形美觀、體積小、重量輕、使用壽命長等特點。
【CHL型不銹鋼輕型多級離心泵】型號意義:

【CHL型不銹鋼輕型多級離心泵】工作條件:
稀薄、干凈、不凝、不爆炸、不含固體顆粒或纖維的液體。
液體溫度: 常溫型-15℃至+70℃
熱水型+70℃至+110℃
最大環境溫度:+40℃
最大運作壓力:10巴
最大進口壓力受最大運作壓力限制
介質酸堿性:PH4~9
【CHL型不銹鋼輕型多級離心泵】電機:
電機為全封閉,風冷式二極電機
防護等級:IP55
絕緣等級:F
標準電壓,
50Hz:
1×220-240V
3×220-240V
380-415V
【CHL型不銹鋼輕型多級離心泵】應用范圍:
CHL,CHLK和CHLF(T)型不銹鋼輕型多級離心泵主要用于家庭型中央空調循環及工業上液體的傳輸。如脫礦物質水、軟水、凈化系統、輕油等的循環和增壓。
1)小型中央空調循環
2)冷卻系統
3)工業清洗
4)水處理(水的凈化)
5)水產養殖
6)施肥/計量系統
7)環境應用
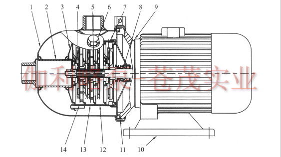
【CHL型不銹鋼輕型多級離心泵】結構圖:
|
CHLK2 ,4(結構圖) |
CHLK8 ,16(結構圖) |
|
|
|
|
序號(NO) |
名稱(Name) |
材料(Material) |
|
1 |
進出水段(Inlet and outlet section) |
不銹鋼(Stainless steel) |
|
2 |
連接管(Connection pipe) |
不銹鋼(Stainless steel) |
|
3 |
壓板(Clamp plate) |
不銹鋼(Stainless steel) |
|
4 |
葉輪(Impeller) |
不銹鋼(Stainless steel) |
|
5 |
軸(Shaft) |
不銹鋼(Stainless steel) |
|
6 |
堵頭(Gag) |
不銹鋼(Stainless steel) |
|
7 |
出水導葉(Water-out guide vane) |
不銹鋼(Stainless steel) |
|
8 |
機械密封(Mechanical seal) |
|
|
9 |
電機端蓋(Motor end cover) |
鋁合金(Aluminunm alloy) |
|
10 |
底座(Base frame) |
鑄鐵(Cast iron) |
|
11 |
快速接頭(Quick joint) |
不銹鋼(Stainless steel) |
|
12 |
導葉(Guide vane) |
不銹鋼(Stainless steel) |
|
13 |
支持導葉(Support guide vane) |
不銹鋼(Stainless steel) |
|
14 |
導流器(Induccr) |
不銹鋼(Stainless steel) |
【CHL型不銹鋼輕型多級離心泵】性能參數:
|
型號 |
揚程(m) |
流量(m3/h) |
電機功率(KW) |
轉速(r/min) |
|
CHL2-20 |
14 |
2 |
0.37 |
2900 |
|
CHL2-30 |
21 |
2 |
0.55 |
2900 |
|
CHL2-40 |
28 |
2 |
0.55 |
2900 |
|
CHL2-50 |
35 |
2 |
0.55 |
2900 |
|
CHL2-60 |
42 |
2 |
0.75 |
2900 |
|
CHL4-20 |
15 |
4 |
0.55 |
2900 |
|
CHL4-30 |
22 |
4 |
0.75 |
2900 |
|
CHL4-40 |
30 |
4 |
0.75 |
2900 |
|
CHL8-10 |
8.5 |
8 |
0.75 |
2900 |
|
CHL8-20 |
17 |
8 |
0.75 |
2900 |
|
CHL8-30 |
25.5 |
8 |
1.1 |
2900 |
|
CHL8-40 |
34 |
8 |
1.5 |
2900 |
|
CHL8-50 |
42.5 |
8 |
2.2 |
2900 |
|
CHL12-10 |
9.5 |
12 |
0.75 |
2900 |
|
CHL12-20 |
19.5 |
12 |
1.2 |
2900 |
|
CHL12-30 |
29.5 |
12 |
1.8 |
2900 |
|
CHL12-40 |
39.5 |
12 |
2.4 |
2900 |
|
CHL12-50 |
50 |
12 |
3 |
2900 |
|
CHL16-10 |
10 |
16 |
1.1 |
2900 |
|
CHL16-20 |
21 |
16 |
2.2 |
2900 |
|
CHL16-30 |
32 |
16 |
3 |
2900 |
|
CHL20-10 |
9.5 |
20 |
1.1 |
2900 |
|
CHL20-20 |
21 |
20 |
2.2 |
2900 |
|
CHL20-30 |
33 |
20 |
4 |
2900 |
|
CHLF(T)2-20 |
14 |
2 |
0.37 |
2900 |
|
CHLF(T)2-30 |
21 |
2 |
0.55 |
2900 |
|
CHLF(T)2-40 |
28 |
2 |
0.55 |
2900 |
|
CHLF(T)2-50 |
35 |
2 |
0.55 |
2900 |
|
CHLF(T)2-60 |
42 |
2 |
0.75 |
2900 |
|
CHLF(T)4-20 |
15 |
4 |
0.55 |
2900 |
|
CHLF(T)4-30 |
22 |
4 |
0.55 |
2900 |
|
CHLF(T)4-40 |
30 |
4 |
0.75 |
2900 |
|
CHLF(T)4-50 |
38 |
4 |
1.1 |
2900 |
|
CHLF(T)4-60 |
45 |
4 |
1.1 |
2900 |
|
CHLF(T)8-10 |
8.5 |
8 |
0.75 |
2900 |
|
CHLF(T)8-20 |
17 |
8 |
0.75 |
2900 |
|
CHLF(T)8-30 |
25.5 |
8 |
1.1 |
2900 |
|
CHLF(T)8-40 |
34 |
8 |
1.5 |
2900 |
|
CHLF(T)8-50 |
42.5 |
8 |
2.2 |
2900 |
|
CHLF(T)12-10 |
9.5 |
12 |
0.75 |
2900 |
|
CHLF(T)12-20 |
19.5 |
12 |
1.2 |
2900 |
|
CHLF(T)12-30 |
29.5 |
12 |
1.8 |
2900 |
|
CHLF(T)12-40 |
39.5 |
12 |
2.4 |
2900 |
|
CHLF(T)12-50 |
50 |
12 |
3 |
2900 |
|
CHLF(T)16-10 |
10 |
16 |
1.1 |
2900 |
|
CHLF(T)16-20 |
21 |
16 |
2.2 |
2900 |
|
CHLF(T)16-30 |
32 |
16 |
3 |
2900 |
|
CHLF(T)16-40 |
43 |
16 |
4 |
2900 |
|
CHLF(T)20-10 |
9.5 |
20 |
1.1 |
2900 |
|
CHLF(T)20-20 |
21 |
20 |
2.2 |
2900 |
|
CHLF(T)20-30 |
33 |
20 |
4 |
2900 |
|
CHLF(T)20-40 |
44.5 |
20 |
4.4 |
2900 |
【CHL型不銹鋼輕型多級離心泵】性能曲線圖譜:

【CHL型不銹鋼輕型多級離心泵】安裝尺寸圖: